Werkzeugbau / Formenbau

Für die Umsetzung Ihrer Ideen haben wir die Möglichkeiten!

Unsere breite Fachkompetenz ermöglicht es uns, Ihre Vorstellungen, Ideen und Wünsche als Gesamtkonzept zu planen und zu realisieren.

Unsere Möglichkeiten

Ein leistungsstarker Maschinenpark ermöglicht perfekte Ergebnisse. Nur so ist gewährleistet, dass Sie Ihren Auftrag schnell und kostengünstig erfüllt bekommen.
Pressformen können wir bei uns sofort auf Qualität in unseren Spritzgußmaschinen auf Ihre Qualität hin prüfen und Feineinstellungen sofort nacharbeiten wenn nötig.
Keine Umwege durch einen Werkzeugbau im eigenen Haus.

Flexible Reaktionsmöglichkeiten durch umfangreiche Leistungen:
- Drahterodieren
- Senkerodieren
- Fräsen (5-Achs)
- HSC Fräsen
- Drehen
- Schleifen
- Bohren


Zusätzlich fertigen wir Werkstücke nach Ihren Zeichnungsvorlagen.

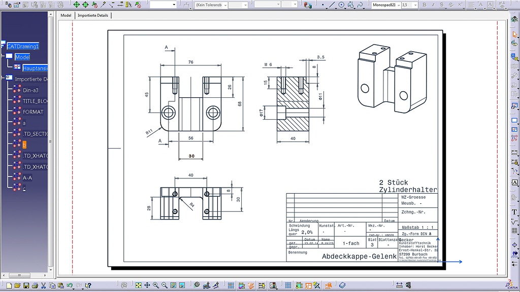
Teilekonstruktion nach Ihren Wünschen

Diese CAD Technik ermöglicht die gewünschten Teilekonstruktionen. Nach individuellen Wünschen können auch 3D-Printmuster hergestellt werden.

Wir verwenden Cookies um unsere Website zu optimieren und Ihnen das bestmögliche Online-Erlebnis zu bieten. Mit dem Klick auf "Alle akzeptieren" erklären Sie sich damit einverstanden. Erweiterte Einstellungen